
Marque :
VTR
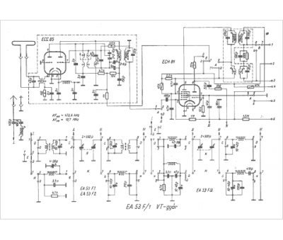
Modèle :
EA 53 F
Type appareil :
récepteur à tubes
Pays d'origine :
Hongrie
