
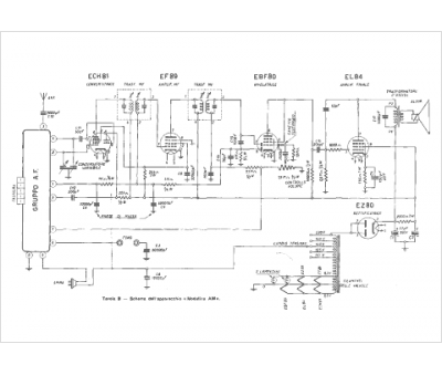
Marque :
Vorax
Modèle :
Modulina AM
Type appareil :
récepteur à tubes
Pays d'origine :
Italie
