
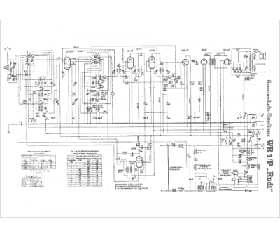
Marque :
Volksempfangers
Modèle :
WR 1 P Rudi
Type appareil :
récepteur à tubes
Pays d'origine :
Allemagne
