
Marque :
Volksempfangers
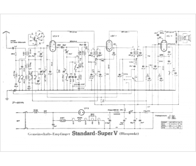
Modèle :
Std Super (Blaupunkt V)
Type appareil :
récepteur à tubes
Pays d'origine :
Allemagne
