
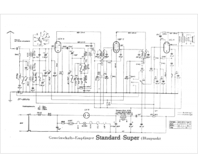
Marque :
Volksempfangers
Modèle :
Std Super (Blaupunkt)
Type appareil :
récepteur à tubes
Pays d'origine :
Allemagne
