
Marque :
Volksempfangers
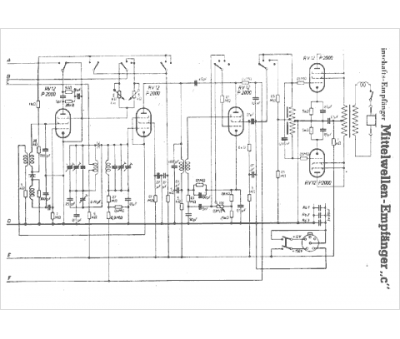
Modèle :
Mittelwellen Empfänger C
Type appareil :
récepteur à tubes
Pays d'origine :
Allemagne
