
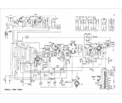
Marque :
Visiola
Modèle :
VL 3021
Type appareil :
récepteur à tubes
Pays d'origine :
Italie
