
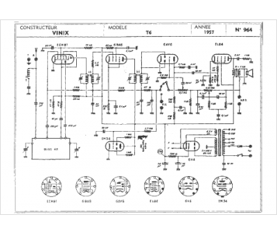
Marque :
Vinix
Modèle :
t6
Type appareil :
récepteur à tubes
Année :
1957
