
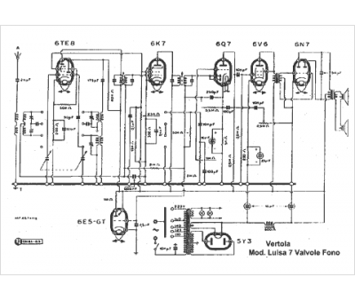
Marque :
Vertola
Modèle :
Luisa 7 V Fono
Type appareil :
récepteur à tubes
Pays d'origine :
Italie
