
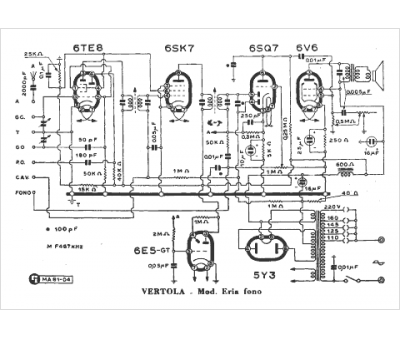
Marque :
Vertola
Modèle :
Eria Fono
Type appareil :
récepteur à tubes
Pays d'origine :
Italie
