
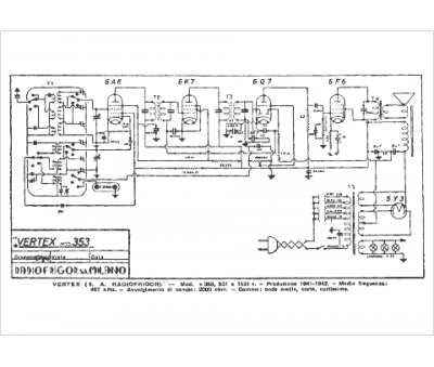
Marque :
Vertex
Modèle :
531
Type appareil :
récepteur à tubes
Pays d'origine :
Italie
