
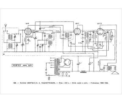
Marque :
Vertex
Modèle :
421
Type appareil :
récepteur à tubes
Pays d'origine :
Italie
