
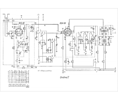
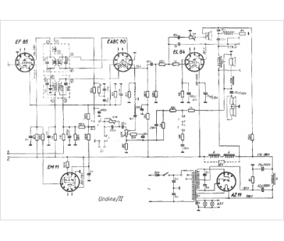
Marque :
Velence
Modèle :
Undine
Type appareil :
récepteur à tubes
Pays d'origine :
Hongrie
