
Marque :
Velence
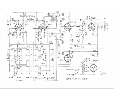
Modèle :
T 426 G
Type appareil :
récepteur à tubes
Pays d'origine :
Hongrie
