
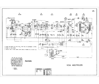
Marque :
Vega
Modèle :
TRS 205
Type appareil :
récepteur à tubes
Pays d'origine :
Italie
