
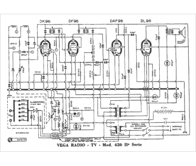
Marque :
Vega
Modèle :
426 Serie II
Type appareil :
récepteur à tubes
Pays d'origine :
Italie
