
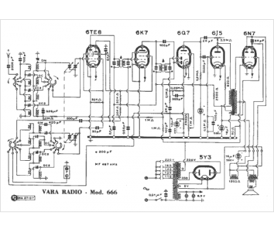
Marque :
Vara
Modèle :
666
Type appareil :
récepteur à tubes
Pays d'origine :
Italie
