
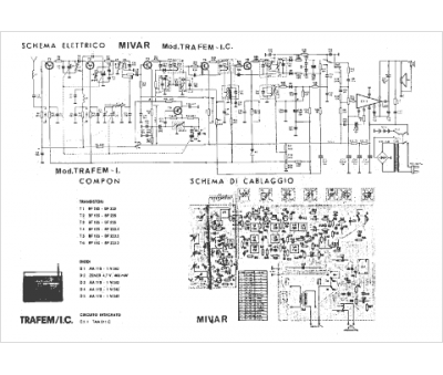
Marque :
Var
Modèle :
Trafem IC
Type appareil :
récepteur à tubes
Pays d'origine :
Italie
