
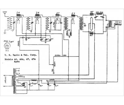
Marque :
US Radio & Tel
Modèle :
47
Type appareil :
récepteur à tubes
Année :
1938
Pays d'origine :
États-Unis
