
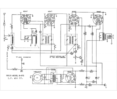
Marque :
															United Motors																																															
														Modèle :
																R-675																																	
															Type appareil :
																récepteur à tubes
															Année :
																1939
															Pays d'origine :
																États-Unis
															