
Marque :
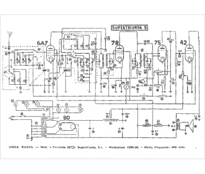
Unda
Modèle :
Tri Unda 537
Type appareil :
récepteur à tubes
Pays d'origine :
Italie
