
Marque :
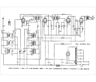
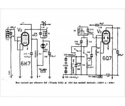
Unda
Modèle :
Tri Unda 536
Type appareil :
récepteur à tubes
Pays d'origine :
Italie
