
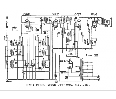
Marque :
Unda
Modèle :
Tri Unda 534
Type appareil :
récepteur à tubes
Pays d'origine :
Italie
