
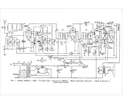
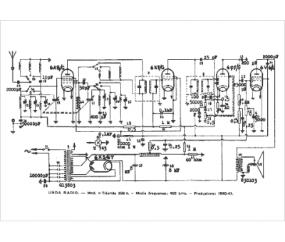
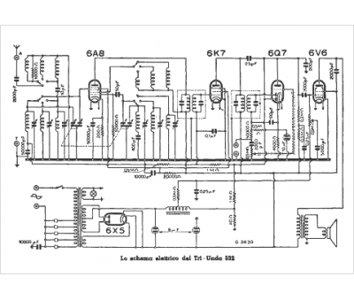
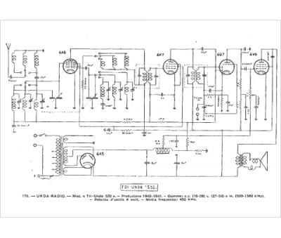
Marque :
Unda
Modèle :
Tri Unda 532
Type appareil :
récepteur à tubes
Pays d'origine :
Italie
