
Marque :
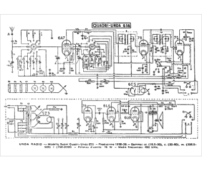
Unda
Modèle :
Super Quadri Unda 838
Type appareil :
récepteur à tubes
Pays d'origine :
Italie
