
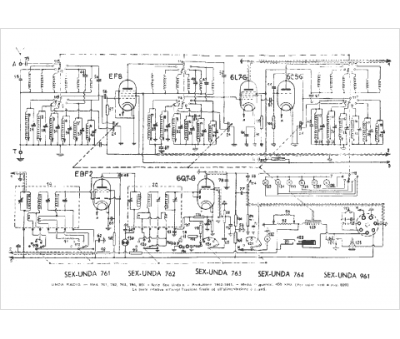
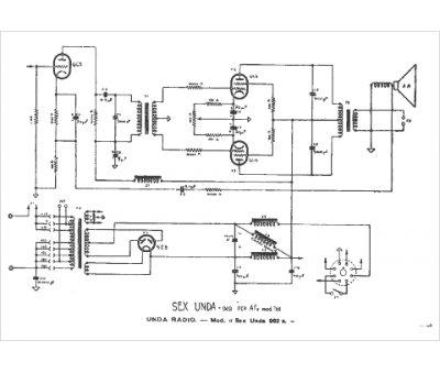
Marque :
Unda
Modèle :
Sex Unda 962
Type appareil :
récepteur à tubes
Pays d'origine :
Italie
