
Marque :
Unda
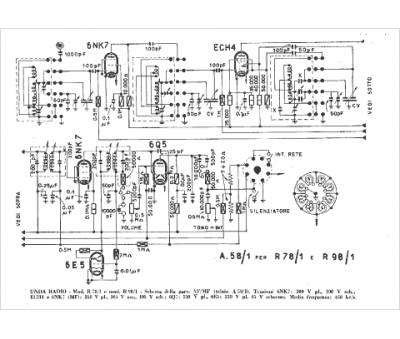
Modèle :
R 98-1
Type appareil :
récepteur à tubes
Pays d'origine :
Italie
