
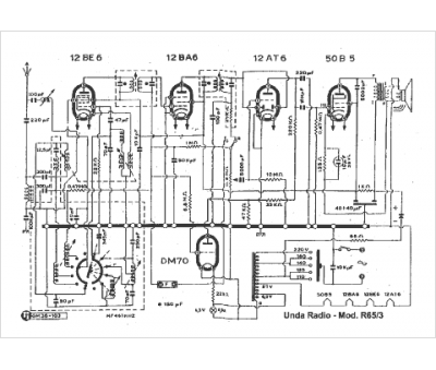
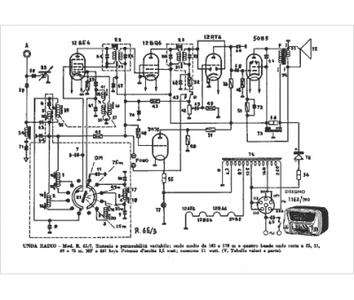
Marque :
Unda
Modèle :
R 65-3
Type appareil :
récepteur à tubes
Pays d'origine :
Italie
