
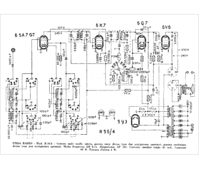
Marque :
Unda
Modèle :
R 56-4
Type appareil :
récepteur à tubes
Pays d'origine :
Italie
