
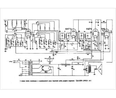
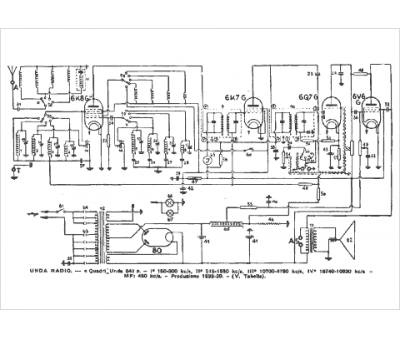
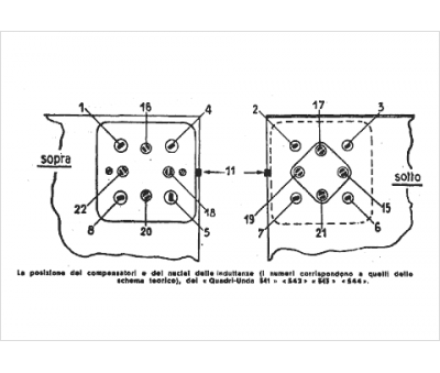
Marque :
Unda
Modèle :
Quadri Unda 541
Type appareil :
récepteur à tubes
Pays d'origine :
Italie
