
Marque :
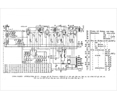
Unda
Modèle :
Penta Unda R 55-1
Type appareil :
récepteur à tubes
Pays d'origine :
Italie
