
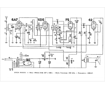
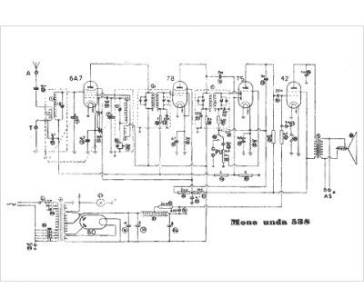
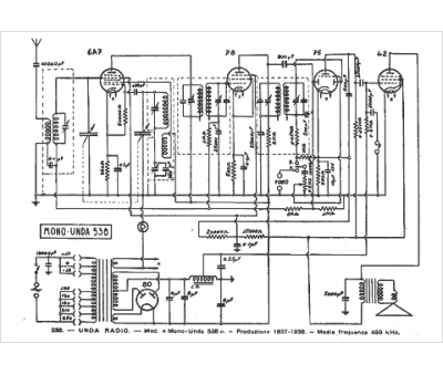
Marque :
Unda
Modèle :
Mono Unda 538
Type appareil :
récepteur à tubes
Pays d'origine :
Italie
