
Marque :
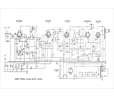
Unda
Modèle :
63-19
Type appareil :
récepteur à tubes
Pays d'origine :
Italie
