
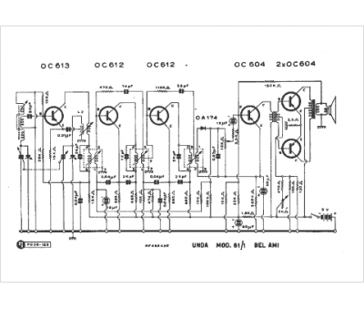
Marque :
Unda
Modèle :
61-1 Bel Ami
Type appareil :
récepteur à tubes
Pays d'origine :
Italie
