
Marque :
Unda
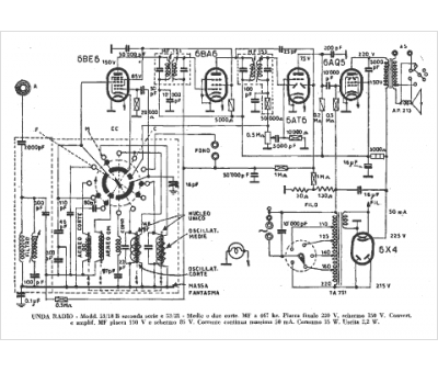
Modèle :
53-18 B série II
Type appareil :
récepteur à tubes
Pays d'origine :
Italie
