
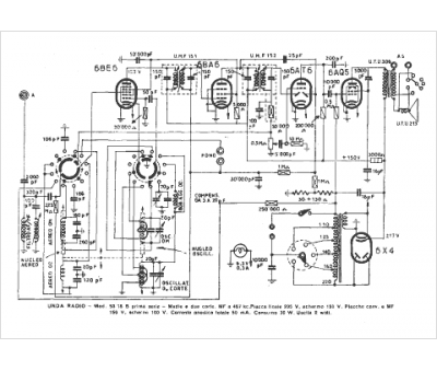
Marque :
Unda
Modèle :
53-18 B série I
Type appareil :
récepteur à tubes
Pays d'origine :
Italie
