
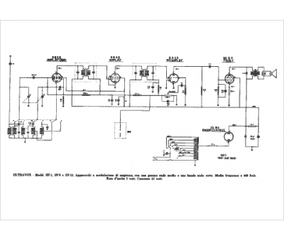
Marque :
Ultravox
Modèle :
SN 3
Type appareil :
récepteur à tubes
Pays d'origine :
Italie
