
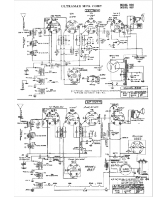
Marque :
Ultramar
Modèle :
826
Type appareil :
récepteur à tubes
Année :
1940
Pays d'origine :
États-Unis
