
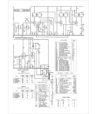
Marque :
Ultra
Modèle :
Panther
Type appareil :
récepteur à tubes
Pays d'origine :
Grande-Bretagne
