
Marque :
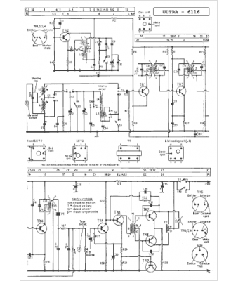
Ultra
Modèle :
6116 Road Ranger
Type appareil :
récepteur à tubes
Pays d'origine :
Grande-Bretagne
