
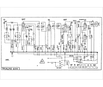
Marque :
Trialmo
Modèle :
836
Type appareil :
récepteur à tubes
Année :
1935
Pays d'origine :
Suisse
