
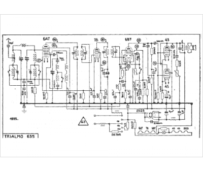
Marque :
Trialmo
Modèle :
635
Type appareil :
récepteur à tubes
Année :
1935
Pays d'origine :
Suisse
