
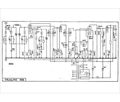
Marque :
Trialmo
Modèle :
536
Type appareil :
récepteur à tubes
Année :
1936
Pays d'origine :
Suisse
