
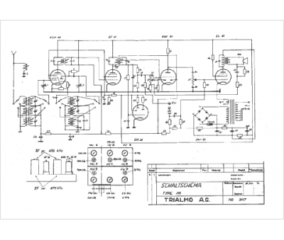
Marque :
Trialmo
Modèle :
315
Type appareil :
récepteur à tubes
Pays d'origine :
Suisse
