
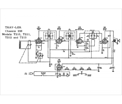
Marque :
Trav-ler
Modèle :
T213
Type appareil :
récepteur à tubes
Pays d'origine :
États-Unis
