
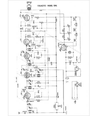
Marque :
Tradio
Modèle :
T56
Type appareil :
récepteur à tubes
Année :
1950
Pays d'origine :
États-Unis
