
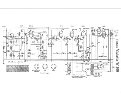
Marque :
Tonfunk
Modèle :
Violetta W 300
Type appareil :
récepteur à tubes
Pays d'origine :
Allemagne
