
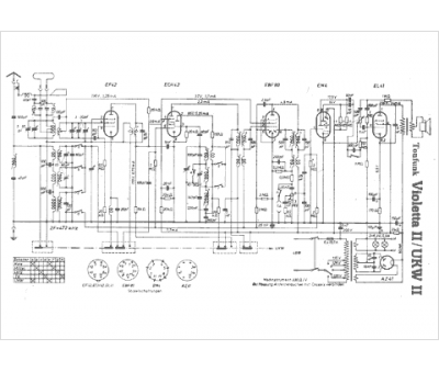
Marque :
Tonfunk
Modèle :
Violetta II UKW II
Type appareil :
récepteur à tubes
Pays d'origine :
Allemagne
