
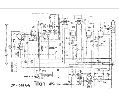
Marque :
Titan
Modèle :
493
Type appareil :
récepteur à tubes
Pays d'origine :
Suisse
