
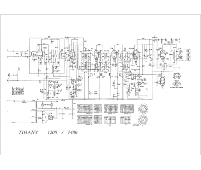
Marque :
Tihany
Modèle :
1200
Type appareil :
récepteur à tubes
Pays d'origine :
Hongrie
